冷媒压力表
产品分类: 特殊压力表
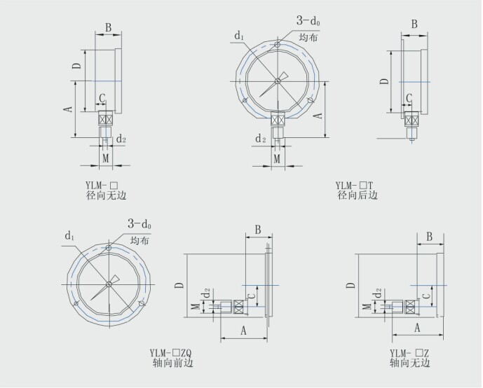
冷媒压力表适用于测量无爆炸危险、不易结晶、不凝固及对仪表零件不起腐蚀作用的液体、气体和蒸汽等介质的压力和负压,特别适用于强烈脉动介质压力和环境强烈振动场所介质压力的测量,能在强振动环境中将示值稳定地指示出来。
订购热线:15716188608

冷媒压力表
![]()

![]()

![]()
冷媒压力表主要用于制冷设备,如商用空调,热泵热水器,冷库产品,其主要是用于检测系统中介质不同阶段的压力值,以方便工作人员撑握设备的运行状况,其工作原理是测量介质的压力作用在膜盒腔内侧,由此产生的弹性变形与压力通常呈线性,压力敏感元件的变形幅度以带动指针旋转,指针旋转的幅度即压力值,本公司的系列耐震压力表系引进国际先进生产技术制造,该产品适用于测量无爆炸危险、不易结晶、不凝固及对仪表零件不起腐蚀作用的液体、气体和蒸汽等介质的压力和负压,特别适用于强烈脉动介质压力和环境强烈振动场所介质压力的测量,能在强振动环境中将示值稳定地指示出来。

AG真人[国际]中国官方网站
移动电话:15716188608
公司电话:0510-8518004505288518052885180528
公司传真:0510-88152298
地址:无锡市滨湖区太湖镇双新工业园区和风路571号
* 表示必填采购:冷媒压力表
| * 联系人: | 请填写您的真实姓名 |
| * 手机号码: | 请填写您的联系电话 |
| 电子邮件: | |
| * 采购意向描述: | |
| 请填写采购的产品数量和产品描述,方便我们进行统一备货。 | |
| 验证码: |
|
相关资讯
| 我要评论: | |
| 内 容: |
(内容最多500个汉字,1000个字符) |
| 验证码: | 看不清?! |
ag真人国际产品中心Product center
联系ag真人国际
AG真人[国际]中国官方网站
移动电话:15716188608
公司电话:0510-85180045
公司传真:0510-88152298
公司地址:无锡市滨湖区太湖镇双新工业园区和风路571号
![耐震压力表,不锈钢压力表,电接点压力表-AG真人[国际]中国官方网站
欢迎您 耐震压力表,不锈钢压力表,电接点压力表-AG真人[国际]中国官方网站
欢迎您](http://51fayu.com/UploadFiles/Others/20140721181930_20395.gif)







![耐震压力表,不锈钢压力表,电接点压力表-AG真人[国际]中国官方网站
欢迎您 耐震压力表,不锈钢压力表,电接点压力表-AG真人[国际]中国官方网站
欢迎您](/Skins/Default/Img/Common/f_logo.gif)
手机扫描二维码
共有-条评论【我要评论】