YNBF-40Ⅲ轴向带边不锈钢耐震压力表
产品分类: 不锈钢耐震压力表
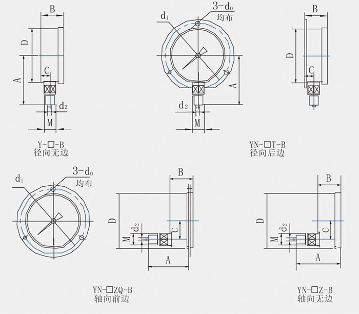
YNBF-40Ⅲ轴向带边不锈钢耐震压力表全部采用有良好耐腐蚀性能的不锈钢材质制造,主要零件采用1Cr18Ni9、OCr18Ni12Mo2Ti、USU316、USU316L等材料,适用于有腐蚀性的环境,可检测有弱腐蚀性,但不结晶、不凝固、粘度低的液体、气体或蒸汽等介质的压力。
YNBF-40Ⅲ轴向带边不锈钢耐震压力表因具有良好的抗震性能,所以可用于有机械强烈振动的环境,并耐受介质压力剧烈脉动及冲击载荷,用途更加广泛。
订购热线:15716188608

YNBF-40Ⅲ轴向带边不锈钢耐震压力表


![]()
YNBF-40Ⅲ轴向带边不锈钢耐震压力表全部采用有良好耐腐蚀性能的不锈钢材质制造,主要零件采用1Cr18Ni9、OCr18Ni12Mo2Ti、USU316、USU316L等材料,适用于有腐蚀性的环境,可检测有弱腐蚀性,但不结晶、不凝固、粘度低的液体、气体或蒸汽等介质的压力。
YNBF-40Ⅲ轴向带边不锈钢耐震压力表因具有良好的抗震性能,所以可用于有机械强烈振动的环境,并耐受介质压力剧烈脉动及冲击载荷,用途更加广泛。



AG真人[国际]中国官方网站
移动电话:15716188608
公司电话:0510-8518004505288518052885180528
公司传真:0510-88152298
地址:无锡市滨湖区太湖镇双新工业园区和风路571号
* 表示必填采购:YNBF-40Ⅲ轴向带边不锈钢耐震压力表
| * 联系人: | 请填写您的真实姓名 |
| * 手机号码: | 请填写您的联系电话 |
| 电子邮件: | |
| * 采购意向描述: | |
| 请填写采购的产品数量和产品描述,方便我们进行统一备货。 | |
| 验证码: |
|
相关资讯
| 我要评论: | |
| 内 容: |
(内容最多500个汉字,1000个字符) |
| 验证码: | 看不清?! |
ag真人国际产品中心Product center
联系ag真人国际
AG真人[国际]中国官方网站
移动电话:15716188608
公司电话:0510-85180045
公司传真:0510-88152298
公司地址:无锡市滨湖区太湖镇双新工业园区和风路571号
![耐震压力表,不锈钢压力表,电接点压力表-AG真人[国际]中国官方网站
欢迎您 耐震压力表,不锈钢压力表,电接点压力表-AG真人[国际]中国官方网站
欢迎您](http://51fayu.com/UploadFiles/Others/20140721181930_20395.gif)







![耐震压力表,不锈钢压力表,电接点压力表-AG真人[国际]中国官方网站
欢迎您 耐震压力表,不锈钢压力表,电接点压力表-AG真人[国际]中国官方网站
欢迎您](/Skins/Default/Img/Common/f_logo.gif)
手机扫描二维码
共有-条评论【我要评论】