普通不锈钢压力表
产品分类: 普通不锈钢压力表
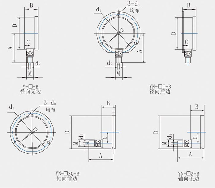
该系列仪表全部采用有良好耐腐蚀性能的不锈钢材质制造,主要零件采用1Cr18Ni9、OCr18Ni12Mo2Ti、USU316、USU316L等材料,适用于有腐蚀性的环境,可检测有弱腐蚀性,但不结晶、不凝固、粘度低的液体、气体或蒸汽等介质的压力。该系列仪表主要应用于矿山、石油、化工、冶炼、电力、食品、医药、航天等行业。
订购热线:15716188608

![]()

![]()
该系列仪表全部采用有良好耐腐蚀性能的不锈钢材质制造,主要零件采用1Cr18Ni9、OCr18Ni12Mo2Ti、USU316、USU316L等材料,适用于有腐蚀性的环境,可检测有弱腐蚀性,但不结晶、不凝固、粘度低的液体、气体或蒸汽等介质的压力。该系列仪表主要应用于矿山、石油、化工、冶炼、电力、食品、医药、航天等行业。
![]()


AG真人[国际]中国官方网站
移动电话:15716188608
公司电话:0510-8518004505288518052885180528
公司传真:0510-88152298
地址:无锡市滨湖区太湖镇双新工业园区和风路571号
* 表示必填采购:普通不锈钢压力表
| * 联系人: | 请填写您的真实姓名 |
| * 手机号码: | 请填写您的联系电话 |
| 电子邮件: | |
| * 采购意向描述: | |
| 请填写采购的产品数量和产品描述,方便我们进行统一备货。 | |
| 验证码: |
|
相关资讯
| 我要评论: | |
| 内 容: |
(内容最多500个汉字,1000个字符) |
| 验证码: | 看不清?! |
ag真人国际产品中心Product center
联系ag真人国际
AG真人[国际]中国官方网站
移动电话:15716188608
公司电话:0510-85180045
公司传真:0510-88152298
公司地址:无锡市滨湖区太湖镇双新工业园区和风路571号
![耐震压力表,不锈钢压力表,电接点压力表-AG真人[国际]中国官方网站
欢迎您 耐震压力表,不锈钢压力表,电接点压力表-AG真人[国际]中国官方网站
欢迎您](http://51fayu.com/UploadFiles/Others/20140721181930_20395.gif)







![耐震压力表,不锈钢压力表,电接点压力表-AG真人[国际]中国官方网站
欢迎您 耐震压力表,不锈钢压力表,电接点压力表-AG真人[国际]中国官方网站
欢迎您](/Skins/Default/Img/Common/f_logo.gif)
手机扫描二维码
共有-条评论【我要评论】